- Fast Delievery
- Quality Assurance
- 24/7 Customer Service
Product Description
Main Features
Stable performance
Environmental certification
Quality assurance
Professional design
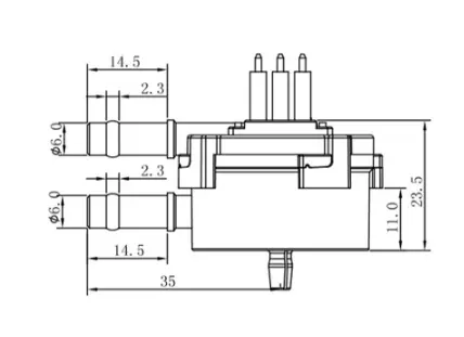
Specification Parameter
| Parameter | Specification |
|---|---|
| Accuracy | ±3%/±5% |
| Function | Flow monitoring and control |
| Counting Speed | <760ml/min |
| Voltage | 5-24V |
| Output current | 50mA |
| Output signal | Pulse signal |
| Weight | 0.015 |
| Interface | M6 |
| Liquid | Coffee, Water, Beer etc. |
| Work temperature | -5~+65℃ |
| Storage temperature | -10~+70℃ |
| Certificate | FDA/ROHS |

Notice:
- Ensure that there is no reverse surge pressure
- Ensure that there is no air in the entire flow path system
- Ensure that the fluid is not experiencing rapid pulse fluctuations
- Minimum/maximum flow rate should be within the linear range of the flow meter
- At appropriate time intervals should be cleaned
Application Fields
Water dispenser、Coffee machine and Medicine liquid etc. small flow control application
Topping Motor:
Topping Motor is a main producer and provider of Volumetric Counter, offering a complete scope of items customized to meet different modern necessities. With an enormous stock and complete endorsements, Besting Engine guarantees brief conveyance and excellent help. Whether you require OEM or ODM arrangements, Besting Engine offers one-stop standard assistance, upheld by thorough testing and quality confirmation. For requests and orders, if it's not too much trouble, get in touch with us at sales@huan-tai.org.
Send Inquiry


